产品介绍 Overview
高端品质,德国机芯
带公差指示器
技术参数 Specifications
| 型号 | 测量范围 | 分度值 | 全程精度 | 回程精度 | 一圈行程 | 表盘读数 | 备注 |
| 2892-10* | 10mm | 0.01mm | 17μm | 3μm | 1mm | 0-100 | 带耳后盖 |
| 2892-10F* | 10mm | 0.01mm | 17μm | 3μm | 1mm | 0-100 | 平后盖 |
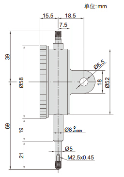
产品尺寸 Dimensions



鼠标按住图片可看放大效果