产品介绍 Overview
高准确度(7钻)
防震
防水防尘
读数方便
有微调机构
快门线提升测轴
技术参数 Specifications
| 货号 | 测量范围 mm | 分度值 mm | 表盘读数 | 表圈外径 mm |
| 321-113 | 0-5 | 0.01 | 0-100 | Φ41 |
| 321-132 | 0-20 | 0.01 | 0-100 | Φ60 |
| 321-133 | 0-25 | 0.01 | 0-100 | Φ60 |
| 321-134 | 0-30 | 0.01 | 0-100 | Φ60 |
| 321-141 | 0-50 | 0.01 | 0-100 | Φ80 |
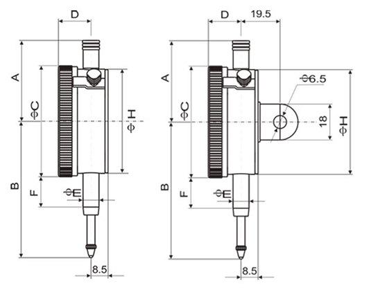
产品尺寸 Dimensions

| 货号 | 测量范围 mm | A mm | B mm | ΦC mm | D mm | ΦE mm | F mm | ΦH mm | 备注 |
| 321-113 | 0-5 | 33.8 | 49 | 41 | 13 | 8 | 13 | 35 | LB224 (1.6.8.17.) |
| 321-132 | 0-20 | 40 | 85 | 60 | 16 | 8 | 53 | LB240.1(1.9.16.17) | |
| 321-133 | 0-25 | 40 | 85 | 60 | 16 | 8 | 53 | LB240.3(1.9.16.17) | |
| 321-134 | 0-30 | 44.5 | 90 | 60 | 16 | 8 | 18 | 53 | LB256.5(1.9.16.17) |
| 321-141 | 0-50 | 50 | 129.5 | 80 | 16 | 8 | 30.5 | 75 | LB252.1(1.9.10.16.17) |


鼠标按住图片可看放大效果