产品介绍 Overview
高准确度(7钻)
防震
防水防尘
读数方便
有微调机构
快门线提升测轴
技术参数 Specifications
| 货号 | 测量范围 mm | 分度值 mm | 表盘读数 | 表圈外径 mm |
| 321-123 | 0-10 | 0.01 | 0-100 | Φ41 |
| 321-123-4 | 0-10 | 0.01 | 0-100 | Φ60 |
产品细节 Details

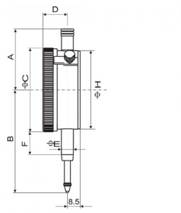
产品尺寸 Dimensions

| 货号 | 测量范围 mm | A mm | B mm | ΦC mm | D mm | ΦE mm | F mm | ΦH mm | 备注 |
| 321-123 | 0-10 | 36 | 69 | 55 | 14.5 | 8 | 15.5 | 52.5 | LB236.5(1.4.16.) |
| 321-123-4 | 0-10 | 41.5 | 68.5 | 60 | 14.7 | 8 | 13 | SC60(.2) |


鼠标按住图片可看放大效果