
产品介绍 Overview
指针式指示表
高质量/ 高精度/ 高可靠性的比较测量工具
1 系列 — 简洁单转型无误读
三丰独特的防震机构,对于因冲击造成的测杆突然缩回而引起的震动,具有良好的耐冲击性。
该系列已消除了因指针转数的计算错误而导致的读数误差。
红色的区域表示“精度无法保证”。
技术参数 Specifications

产品细节 Details

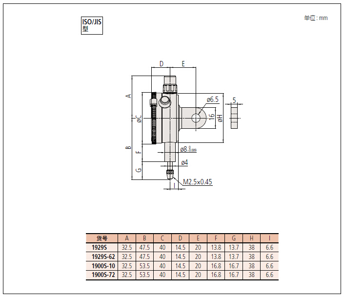
产品尺寸 Dimensions



鼠标按住图片可看放大效果