全国统一服务热线

020-82037385

  1. 当前位置:首页
  2. 产品中心
  3. 机床
  4. 机床附件
  5. 卡盘卡爪
  6. 直止口三爪自定心卡盘K11200C
  • 20161116163911726_M
鼠标按住图片可看放大效果

直止口三爪自定心卡盘K11200C


  • 品牌:环球
  • 型号:YTUM/K11200C
  • 价格:询价(Tel:020-82037385)
  • 商品介绍
  • 规格参数
  • 包装参数
  • 商品图集
产品介绍 Overview

卡盘是机床上用来夹紧工件的机械装置。利用均布在卡盘体上的活动卡爪的径向移动,把工件夹紧和定位的机床附件。卡盘一般由卡盘体、活动卡爪和卡爪驱动机构 3部分组成。中央有通孔,以便通过工件或棒料;背部有圆柱形或短锥形结构,直接或通过法兰盘与机床主轴端部相联接。卡盘通常安装在车床、外圆磨床和内圆磨床上使用,也可与各种分度装置配合,用于铣床和钻床上。

● 适用于各种车床,数控车床,仪表车床等机床

产品特点 Features

● 短圆柱连接形式。
● K11型卡盘配带整体爪(正卡爪和反卡爪各一副)。
● K11A、K11C和K11D、K11E型卡盘卡爪为分离爪形式,可调整为正卡爪或反卡爪使用。
● K11A型和K11D、K11E型卡盘卡爪符合ISO3442标准。
● K11C型卡盘卡爪为传统结构的分离爪。
● 可提供各种形式的软卡爪。
● 按用户需求,可提供前穿螺钉安装方式卡盘。


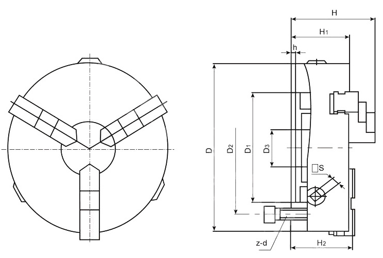
选型指南 SelectionData

选型指南.jpg

规格D

D1

D2

D3

H

H1

H2

h

S

z-d

最大输入

扭矩Nm

极限

转速r/m

净重kg

80

55

66

16

66

50

3.5

8

3-M6

40

4000

1.9

100

72

84

22

74.5

55

3.5

8

3-M8

60

3500

3.2

125

95

108

30

84

58

4

10

3-M8

100

3000

5

130

100

115

30

86

60

3.5

10

3-M8

100

3000

5.6

160

130

142

40

95

65

5

10

3-M8

160

2500

8.8

160A

130

142

40

109

65

71

5

10

3-M8

160

2500

8.3

165

130

145

40

96.5

66.5

4.5

12

3-M8

160

2500

9.5

190

155

172

55

105

75

5

12

3-M10

250

2000

13.8

200

165

180

65

109

75

5

12

3-M10

250

2000

15.5

200C

165

180

65

122

75

78

5

12

3-M10

250

2000

14.1

200A

165

180

65

122

75

80

5

12

3-M10

250

2000

14.1

240

195

215

70

120

80

8

12

3-M12

320

1600

24

240C

195

215

70

130

80

84

8

12

3-M12

320

1600

20

250

206

226

80

120

80

5

12

3-M12

320

1600

25.7

250C

206

226

80

130

80

84

5

12

3-M12

320

1600

23

250A

206

226

80

136

80

86

5

12

3-M12

320

1600

23

315

260

285

100

147

90

6

14

3-M16

400

1200

47

315A

260

285

100

153

90

95

6

14

3-M16

400

1200

41

320

270

290

100

152.5

95

11

13

3-M16

400

1200

47.5

320C

270

290

100

153.5

95

101.5

11

13

3-M16

400

1200

42

325

272

296

100

153.5

96

12

13

3-M16

400

1200

49

325C

272

296

100

154.5

96

102.5

12

13

3-M16

400

1200

44

325A

272

296

100

169.5

96

105.5

12

13

3-M16

400

1200

46

380

325

350

135

155.7

98

6

14

3-M16

500

1000

65

380C

325

350

135

156.5

98

104.5

6

14

3-M16

500

1000

60

380A

325

350

135

171.5

98

107.5

6

14

3-M16

500

1000

62

400

340

368

138

158

100

-

6

17

3-M16

500

1000

74

400D

340

368

138

172

100

108

6

17

3-M16

500

1000

71

500

440

465

210

184

115

-

6

17

6-M16

630

800

124

500D

440

465

210

202

115

126

6

17

6-M16

630

800

117.6

500A

440

465

210

202

115

126

6

17

6-M16

630

800

119

630

560

595

270

214

133.5

-

7

19

6-M16

800

600

217

630D

560

595

270

218

133.5

142

7

19

6-M16

800

600

208

630E

560

595

270

220.5

133.5

142

7

19

6-M16

800

600

215

800D

710

760

385

250

161

170

8.5

21

6-M20

1000

500

250

800E

710

760

385

250

161

170

8.5

21

6-M20

1000

500

256

1000E

905

950

460

310

198

216

9

24

6-M24

1200

400

745.6

1250E

1060

1150

550

341

228

237

11

24

6-M30

1300

320

-


规格参数
品牌 YTUM/环球
类别 卡盘
产品类型 三爪卡盘
系列 自定心卡盘
包装参数
长度(mm) 210
宽度(mm) 210
高度(mm) 120
重量(kg) 17.0

在线客服
  • 客服1
    点击这里给我发消息
  • 客服2
    点击这里给我发消息