卡盘是机床上用来夹紧工件的机械装置。利用均布在卡盘体上的活动卡爪的径向移动,把工件夹紧和定位的机床附件。卡盘一般由卡盘体、活动卡爪和卡爪驱动机构 3部分组成。中央有通孔,以便通过工件或棒料;背部有圆柱形或短锥形结构,直接或通过法兰盘与机床主轴端部相联接。卡盘通常安装在车床、外圆磨床和内圆磨床上使用,也可与各种分度装置配合,用于铣床和钻床上。
● 适用于各种车床,数控车床,仪表车床等机床
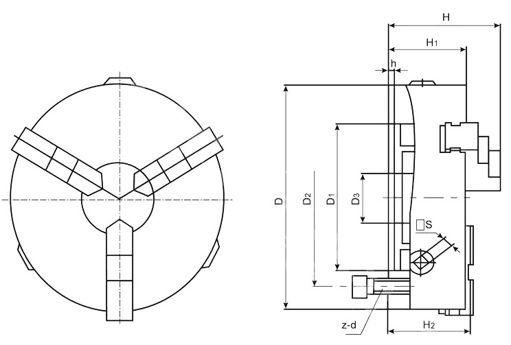
● 短圆柱连接形式。
● K11型卡盘配带整体爪(正卡爪和反卡爪各一副)。
● K11A、K11C和K11D、K11E型卡盘卡爪为分离爪形式,可调整为正卡爪或反卡爪使用。
● K11A型和K11D、K11E型卡盘卡爪符合ISO3442标准。
● K11C型卡盘卡爪为传统结构的分离爪。
● 可提供各种形式的软卡爪。
● 按用户需求,可提供前穿螺钉安装方式卡盘。

规格D | D1 | D2 | D3 | H | H1 | H2 | h | S | z-d | 最大输入 扭矩Nm | 极限 转速r/m | 净重kg |
80 | 55 | 66 | 16 | 66 | 50 | — | 3.5 | 8 | 3-M6 | 40 | 4000 | 1.9 |
100 | 72 | 84 | 22 | 74.5 | 55 | — | 3.5 | 8 | 3-M8 | 60 | 3500 | 3.2 |
125 | 95 | 108 | 30 | 84 | 58 | — | 4 | 10 | 3-M8 | 100 | 3000 | 5 |
130 | 100 | 115 | 30 | 86 | 60 | — | 3.5 | 10 | 3-M8 | 100 | 3000 | 5.6 |
160 | 130 | 142 | 40 | 95 | 65 | — | 5 | 10 | 3-M8 | 160 | 2500 | 8.8 |
160A | 130 | 142 | 40 | 109 | 65 | 71 | 5 | 10 | 3-M8 | 160 | 2500 | 8.3 |
165 | 130 | 145 | 40 | 96.5 | 66.5 | — | 4.5 | 12 | 3-M8 | 160 | 2500 | 9.5 |
190 | 155 | 172 | 55 | 105 | 75 | — | 5 | 12 | 3-M10 | 250 | 2000 | 13.8 |
200 | 165 | 180 | 65 | 109 | 75 | — | 5 | 12 | 3-M10 | 250 | 2000 | 15.5 |
200C | 165 | 180 | 65 | 122 | 75 | 78 | 5 | 12 | 3-M10 | 250 | 2000 | 14.1 |
200A | 165 | 180 | 65 | 122 | 75 | 80 | 5 | 12 | 3-M10 | 250 | 2000 | 14.1 |
240 | 195 | 215 | 70 | 120 | 80 | — | 8 | 12 | 3-M12 | 320 | 1600 | 24 |
240C | 195 | 215 | 70 | 130 | 80 | 84 | 8 | 12 | 3-M12 | 320 | 1600 | 20 |
250 | 206 | 226 | 80 | 120 | 80 | — | 5 | 12 | 3-M12 | 320 | 1600 | 25.7 |
250C | 206 | 226 | 80 | 130 | 80 | 84 | 5 | 12 | 3-M12 | 320 | 1600 | 23 |
250A | 206 | 226 | 80 | 136 | 80 | 86 | 5 | 12 | 3-M12 | 320 | 1600 | 23 |
315 | 260 | 285 | 100 | 147 | 90 | — | 6 | 14 | 3-M16 | 400 | 1200 | 47 |
315A | 260 | 285 | 100 | 153 | 90 | 95 | 6 | 14 | 3-M16 | 400 | 1200 | 41 |
320 | 270 | 290 | 100 | 152.5 | 95 | — | 11 | 13 | 3-M16 | 400 | 1200 | 47.5 |
320C | 270 | 290 | 100 | 153.5 | 95 | 101.5 | 11 | 13 | 3-M16 | 400 | 1200 | 42 |
325 | 272 | 296 | 100 | 153.5 | 96 | — | 12 | 13 | 3-M16 | 400 | 1200 | 49 |
325C | 272 | 296 | 100 | 154.5 | 96 | 102.5 | 12 | 13 | 3-M16 | 400 | 1200 | 44 |
325A | 272 | 296 | 100 | 169.5 | 96 | 105.5 | 12 | 13 | 3-M16 | 400 | 1200 | 46 |
380 | 325 | 350 | 135 | 155.7 | 98 | — | 6 | 14 | 3-M16 | 500 | 1000 | 65 |
380C | 325 | 350 | 135 | 156.5 | 98 | 104.5 | 6 | 14 | 3-M16 | 500 | 1000 | 60 |
380A | 325 | 350 | 135 | 171.5 | 98 | 107.5 | 6 | 14 | 3-M16 | 500 | 1000 | 62 |
400 | 340 | 368 | 138 | 158 | 100 | - | 6 | 17 | 3-M16 | 500 | 1000 | 74 |
400D | 340 | 368 | 138 | 172 | 100 | 108 | 6 | 17 | 3-M16 | 500 | 1000 | 71 |
500 | 440 | 465 | 210 | 184 | 115 | - | 6 | 17 | 6-M16 | 630 | 800 | 124 |
500D | 440 | 465 | 210 | 202 | 115 | 126 | 6 | 17 | 6-M16 | 630 | 800 | 117.6 |
500A | 440 | 465 | 210 | 202 | 115 | 126 | 6 | 17 | 6-M16 | 630 | 800 | 119 |
630 | 560 | 595 | 270 | 214 | 133.5 | - | 7 | 19 | 6-M16 | 800 | 600 | 217 |
630D | 560 | 595 | 270 | 218 | 133.5 | 142 | 7 | 19 | 6-M16 | 800 | 600 | 208 |
630E | 560 | 595 | 270 | 220.5 | 133.5 | 142 | 7 | 19 | 6-M16 | 800 | 600 | 215 |
800D | 710 | 760 | 385 | 250 | 161 | 170 | 8.5 | 21 | 6-M20 | 1000 | 500 | 250 |
800E | 710 | 760 | 385 | 250 | 161 | 170 | 8.5 | 21 | 6-M20 | 1000 | 500 | 256 |
1000E | 905 | 950 | 460 | 310 | 198 | 216 | 9 | 24 | 6-M24 | 1200 | 400 | 745.6 |
1250E | 1060 | 1150 | 550 | 341 | 228 | 237 | 11 | 24 | 6-M30 | 1300 | 320 | - |


鼠标按住图片可看放大效果