全国统一服务热线

020-82037385

  1. 当前位置:首页
  2. 产品中心
  3. 机床
  4. 机床附件
  5. 精密平口钳
  6. 十字夹具,金丰,Q97125,钳口张开度125mm
  • 20170225102501666_M
鼠标按住图片可看放大效果

十字夹具,金丰,Q97125,钳口张开度125mm


  • 品牌:金丰
  • 型号:Q97125
  • 价格:询价(Tel:020-82037385)
  • 商品介绍
  • 规格参数
  • 包装参数
  • 商品图集
产品介绍 Overview

● 平口钳又名机用虎钳,是一种通用夹具,常用于安装小型工件,它是铣床、钻床的主要附件之一。

● 将其固定在机床工作台上,用来夹持工件进行切削加工,它尤其适用于精密部件的加工。


产品特点 Features

● 十字系列卡具,釆用两个互相垂直的进给机构,可实现X和Y方向同时移动,也可安装底座,实现360度旋转。

● 与台式钻床配套使用时,通过互相垂直的两个方向的手动进给,在一次装夹中可钻同一平面的多个孔系或铣多个键槽。亦可作为铣床、磨床的附件或单独作为工具使用。


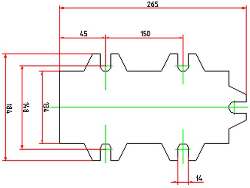
技术参数 Specifications

技术参数1.jpg技术参数2.jpg

产品细节 Details

产品细节.jpg

注意事项 Notices

● 工件的被加工面必须高出钳口,否则就要用平行垫铁垫高工件。

● 为了能装夹得牢固,防止加工时工件松动,必须把比较干整的平面贴紧在垫铁和钳口上。要使工件贴紧在垫铁上,应该一面夹紧,一面用手锤轻击工件的子面,光洁的平面要用铜棒进行敲击以防止敲伤光洁表面。


规格参数
品牌 金丰
产品类型 夹具
钳口开度(mm) 125
钳口宽度(mm) 125
钳口深度(mm) 50
长度(mm) 265
包装参数
长度(mm) 300
宽度(mm) 300
高度(mm) 200
重量(kg) 20.0

在线客服
  • 客服1
    点击这里给我发消息
  • 客服2
    点击这里给我发消息