产品介绍 Overview
● 平口钳又名机用虎钳,是一种通用夹具,常用于安装小型工件,它是铣床、钻床的主要附件之一。
● 将其固定在机床工作台上,用来夹持工件进行切削加工,它尤其适用于精密部件的加工。
产品特点 Features
● 十字系列卡具,釆用两个互相垂直的进给机构,可实现X和Y方向同时移动,也可安装底座,实现360度旋转。
● 与台式钻床配套使用时,通过互相垂直的两个方向的手动进给,在一次装夹中可钻同一平面的多个孔系或铣多个键槽。亦可作为铣床、磨床的附件或单独作为工具使用。
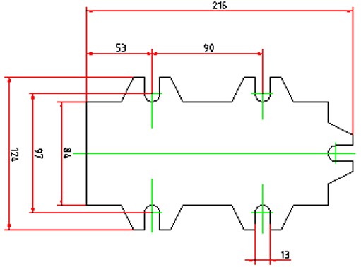
技术参数 Specifications


产品细节 Details

注意事项 Notices
● 工件的被加工面必须高出钳口,否则就要用平行垫铁垫高工件。
● 为了能装夹得牢固,防止加工时工件松动,必须把比较干整的平面贴紧在垫铁和钳口上。要使工件贴紧在垫铁上,应该一面夹紧,一面用手锤轻击工件的子面,光洁的平面要用铜棒进行敲击以防止敲伤光洁表面。


鼠标按住图片可看放大效果