
产品介绍 Overview


技术参数 Specifications





选型指南 SelectionData



性能曲线 TechnicalCurves






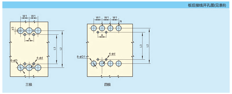
产品尺寸 Dimensions

















鼠标按住图片可看放大效果