




鼠标按住图片可看放大效果
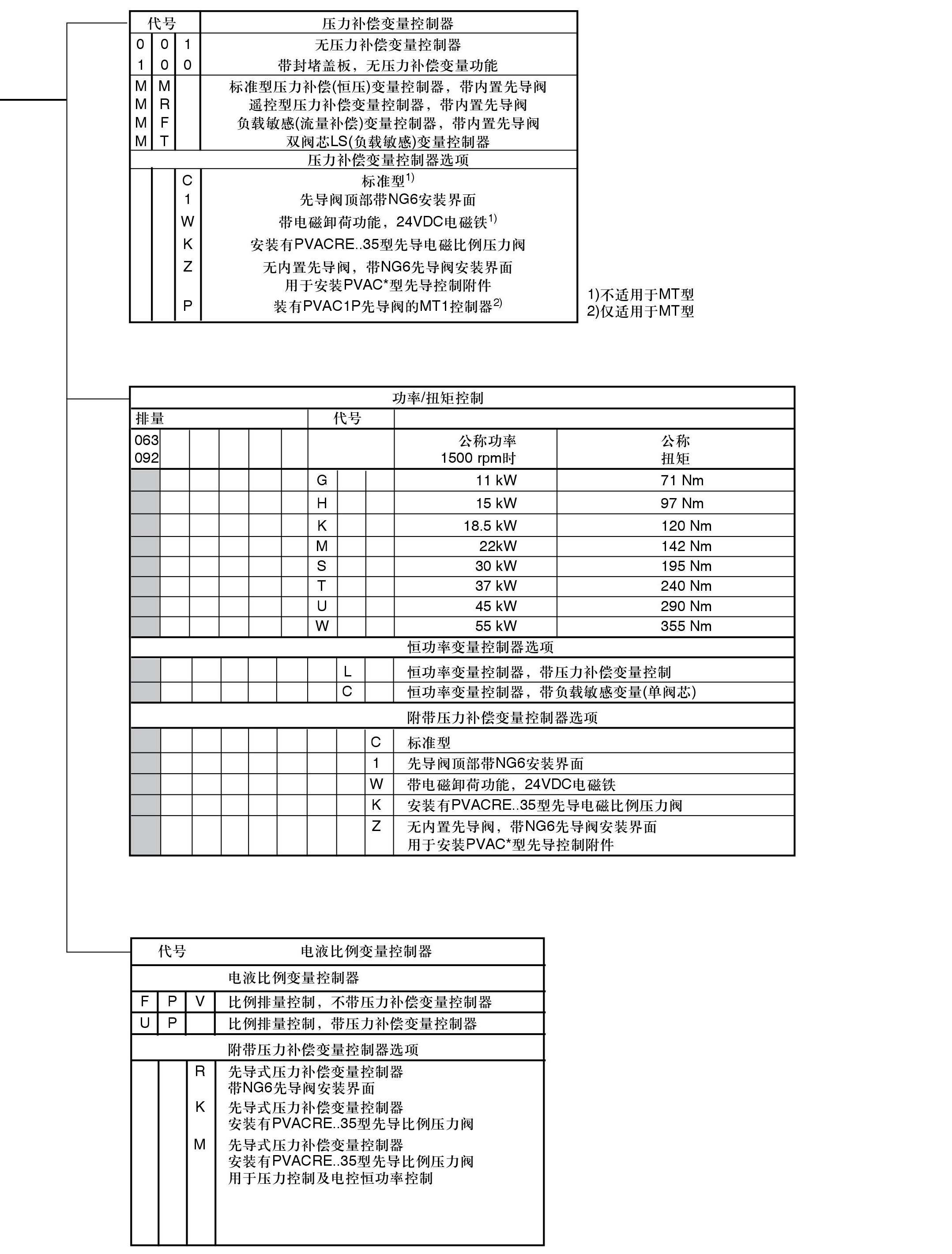
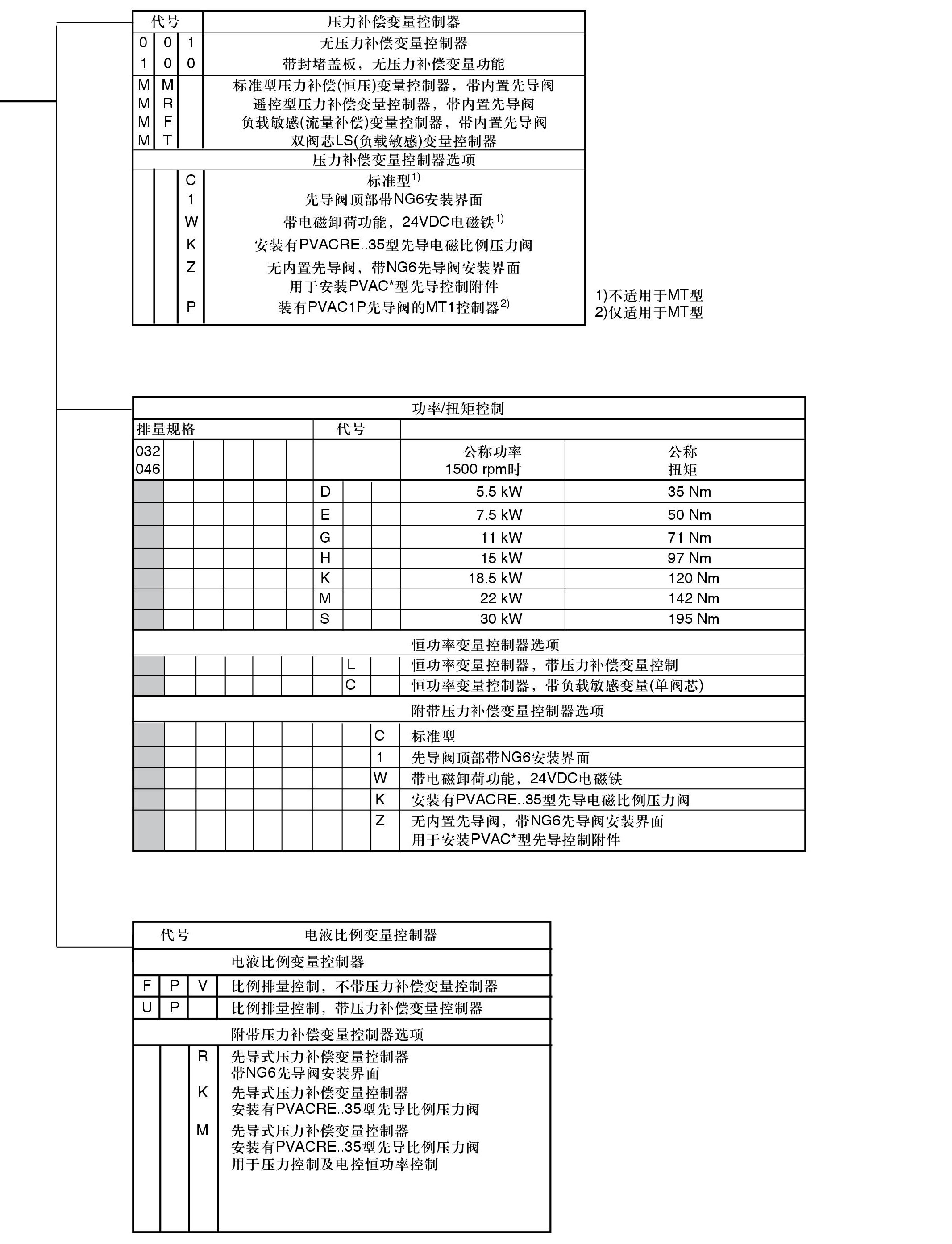
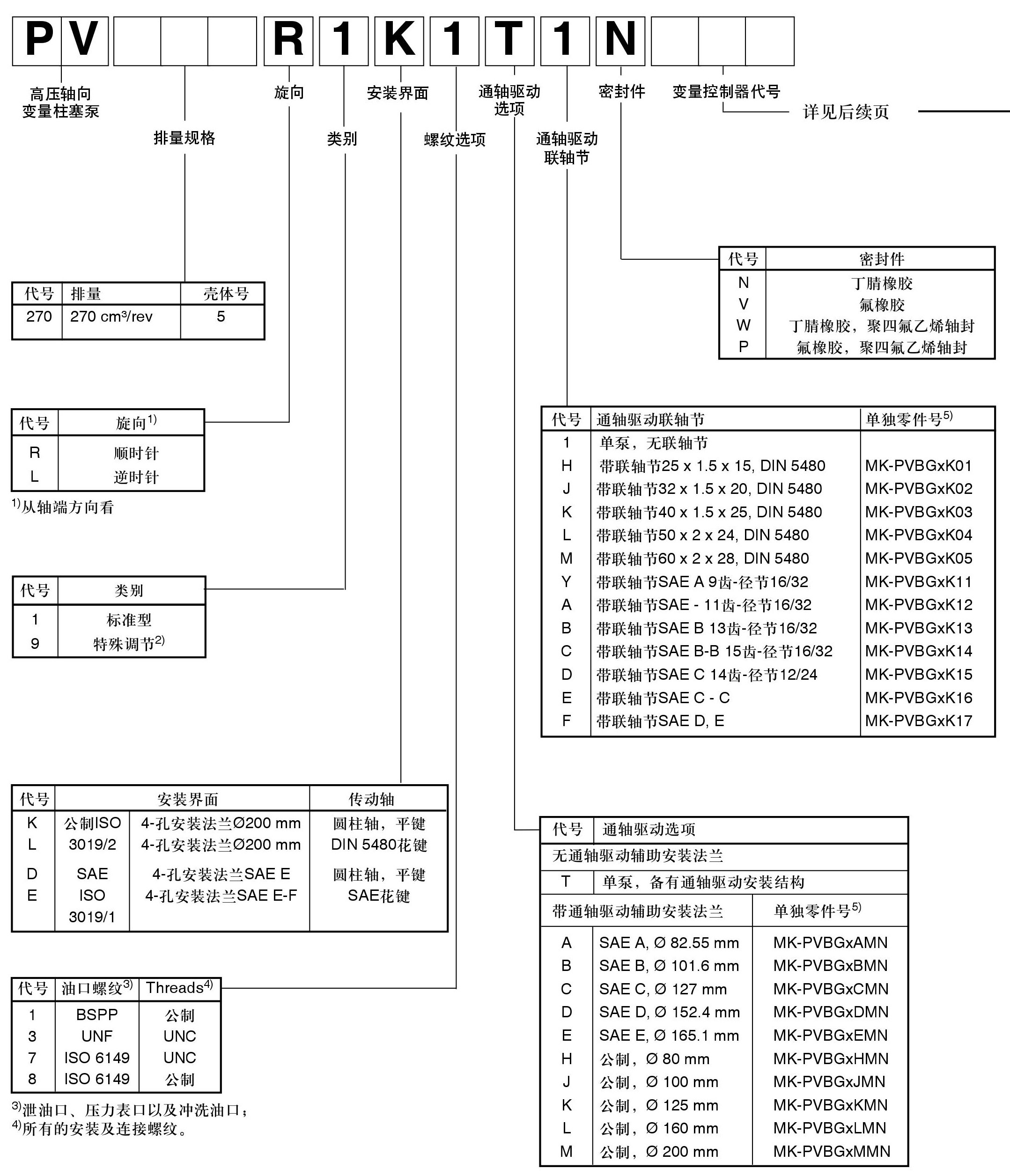
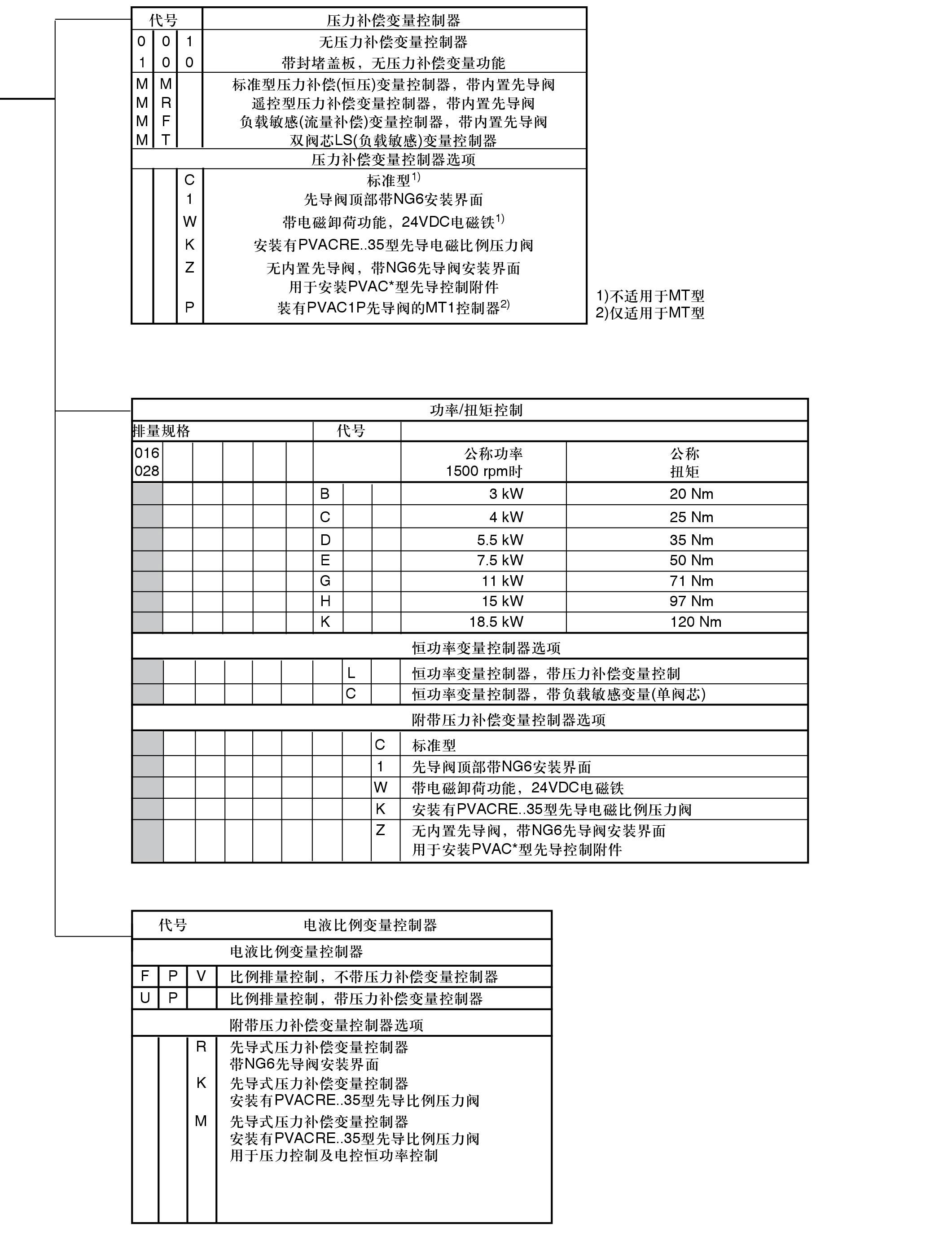
| 规格参数 | |
| 品牌 | Parker/派克 |
| 类别 | 轴向柱塞变量泵 |
| 系列 | PV |
| 工作压力(Mpa) | 35 |
| 几何排量(cm³/rev) | 140 |
| 最大转速(rpm) | 2400 |
| 包装参数 | |
| 长度(mm) | 490 |
| 宽度(mm) | 250 |
| 高度(mm) | 340 |
| 重量(kg) | 90.0 |




