产品介绍 Overview

技术参数 Specifications

选型指南 SelectionData


性能曲线 TechnicalCurves


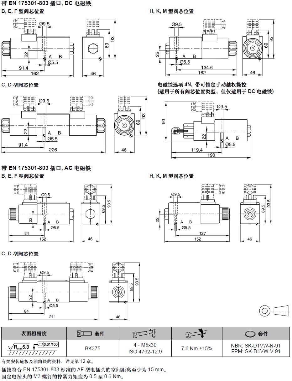
产品尺寸 Dimensions



鼠标按住图片可看放大效果