全国统一服务热线

020-82037385

  1. 当前位置:首页
  2. 产品中心
  3. 低压
  4. 熔断器
  5. 熔断器底座
  6. 正泰,熔断器底座 底座RT36N-3
  • 20170113153738220_M
鼠标按住图片可看放大效果

正泰,熔断器底座 底座RT36N-3


  • 品牌:正泰
  • 型号:底座RT36N-3
  • 价格:询价(Tel:020-82037385)
  • 商品介绍
  • 规格参数
  • 包装参数
  • 商品图集


产品介绍 Overview

技术参数 Specifications

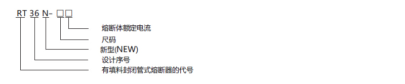
选型指南 SelectionData

选型指南-ABC490-ABC491-ABC492-ABC493.jpg

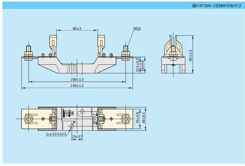
产品尺寸 Dimensions

规格参数
品牌 CHINT/正泰
类别 熔断器底座
系列 RT36N
配用熔断体型号 RT36-3
配用熔断体尺寸 ФD×L=67×150
额定电流(A) 315;355;400;425;500;630;
额定绝缘电压(V) AC500/AC690/DC250
包装参数
长度(mm) 170
宽度(mm) 80
高度(mm) 80
重量(kg) 0.12

在线客服
  • 客服1
    点击这里给我发消息
  • 客服2
    点击这里给我发消息