
产品介绍 Overview


技术参数 Specifications




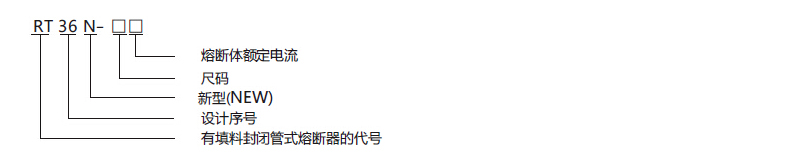
选型指南 SelectionData

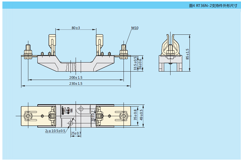
产品尺寸 Dimensions









鼠标按住图片可看放大效果