全国统一服务热线
020-82037385
产品分类
电工
低压
工具
综合布线产品
网络跳线
数据线缆
接线端子
冷压端子
铜接线端子
接线端子
开关插座、接线板
面板开关
接线板
插头
工业插头
工业连接器
工业插座
工业插头
扎带
扎带
电工胶带
电工胶带
管件和线槽
结束带
保护管
热缩管
线槽
电线电缆和配件
线盘
电线固定头
电线夹
电线
其他电线配件
电力仪表
电测量仪表
终端配电产品
浪涌保护器
微型隔离开关
微型断路器
微型漏电保护
微型断路器附件
电器箱(柜)体
配电箱附件
配电箱
传感器和编码器
光纤传感器
压力传感器
编码器
微动开关
行程开关
接近开关
光电传感器
超声波传感器
图像传感器
惯性传感器
电源与变压器
开关电源
变压器
熔断器
熔断器底座
熔芯
电机保护
电机保护断路器附件
电机保护断路器
接触器
交直流线圈通用接触器
接触器附件
直流线圈接触器
交流线圈接触器
负荷隔离开关
凸轮开关附件
凸轮开关
隔离开关附件
隔离开关
按钮指示灯
手拍脚踏开关
按钮指示灯附件
按钮
指示灯
蜂鸣器
继电器
监测继电器
安全继电器
固态继电器
时间继电器
中间继电器
功率继电器
热过载继电器
断路器
塑壳漏电断路器
塑壳断路器附件
塑壳断路器
特种扳手
三叉扳手
L形手用套筒扳手
敲击扳手
勾形扳手
T形套筒扳手
单活头套筒开口扳手
链条扳手
双活头套筒扳手
尖尾棘轮扳手
充电式工具
充电式修边机
充电式砂磨机
充电式油、胶枪
充电式直磨机
充电式拉铆枪
充电式电剪
充电式切割机
充电式曲线锯/往复锯
充电式角磨机
充电式圆锯
充电式螺丝刀
充电式电钻
充电式锤钻
充电式冲击钻
充电扳手
扭力工具
扭力检测仪
扭力起子(扭力起子机)
扭力扳手头
扭力扳手
钳/夹
钳子套装
台虎钳
镊子
卡簧钳
卡簧钳套装
大力钳
钳子
管道工具
工业内窥镜
套丝机/手动套丝绞手
扩管器
硅胶枪
弯管器
切管工具
管钳
钳工工具
钢字冲
刮刀/修边器
断丝取出器
凿
起钉器/撬棒
拉铆枪
拉马
磁性捡拾器
锤/锉/锯/刀/尺
安全刀具
锉刀套装
软管割刀
什锦整形锉
水平尺
美工刀/切割刀/雕刻刀
锯/锯条
卷尺
钢直尺/直角尺
剪刀
锉
锤
汽修汽保工具
卷管器/绕线盘
汽车测电笔
钣金工具套装
底盘维修工具
千斤顶
油壶/黄油枪
引擎维修工具
检测镜
螺丝刀
旋具头/旋具头手柄
微型螺丝刀
螺丝刀
螺丝刀套装
充磁及退磁器
工具车及箱包
工具托套装
工具车/工具柜
工具包
工具箱
工具套装
套筒旋具头综合套装
家用工具套装
随车工具套装
电子维修套装
基本维修工具套装
汽修工具套装
电讯工具套装
综合套装
防爆工具
防爆弯管器
防爆千斤顶
防爆盘根工具
防爆锯弓/锯条
防爆夹
防爆尺
防爆铲车
防爆拔轮器
防爆锉/刷
防爆台虎钳
防爆锥/冲
防爆剪刀
防爆撬棍
防爆套筒及附件
防爆综合套装
防爆螺丝刀
防爆装柄方锨
防爆扁铲
防爆泥子刀
防爆钳
防爆扳手
防爆锤
电子焊接及防静电工具
防静电螺丝批
助焊膏
PLCC起拔器/IC夹
离子风机
吸锡器
离子吹尘枪
电子焊台
防静电镊子
防静电钳子
电烙铁/烙铁头/发热芯
电工工具
电力工具
绝缘套筒及附件
绝缘扳手
绝缘镊子
压线钳
绝缘工具套装
绝缘螺丝刀
绝缘钳
绝缘剥线钳/绝缘剥线刀
电子剪切钳
电缆钳
电工刀/电工剪
测电笔
剥线钳
液压工具
节流阀
液压切割器
液压缸
液压拉马
液压断线钳
液压压线钳
压力表/压力表座
液压泵
快速接头
高压软管
动力工具附件
气管平衡器
扳手/手动套筒
内六角扳手套装
活动扳手
套筒附件
套筒套装
套筒
内六角扳手
开口/梅花/两用扳手
扳手套装
气动工具
气动锉刀
气动钉枪
气动斜口钳
气动角磨机/气动抛光机
气锤
喷枪
气动拉铆枪
气动油、胶枪
吹尘枪
气动螺丝刀
气动砂磨机
带柄砂轮机
气钻
气动扳手
电动工具
电动刻字笔
电动搅拌机
电动扳手机
斜切锯/型材切割机/电圆锯/云石机
直磨机
往复锯/曲线锯
手电钻
热熔胶枪
偏心砂磨机/平板砂磨机/砂带机
角磨机/抛光机
吹风机/热风枪
电锤钻/冲击钻/电镐
工具耗材
量具
刀具
修补类耗材
热熔胶棒
钻头
麻花钻头套装
工具钻头
砂纸打磨耗材
自粘砂碟
砂带
气动冲击套筒
冲击套筒
磨片及切割片
切割片
石材切割片
螺丝批头
螺丝批头
开孔器
开孔器
锯片及锯条
圆锯片
曲线锯条/往复锯条
铲凿
铲凿
测量数据记录及输出
脚踏开关
连接电缆
测量量具辅件
测头
延长杆
测量仪器及测量台
表面粗糙度测量仪
水平仪
电子水平仪
水平仪
卡钳
卡钳
卡规
派尺
派尺
塞尺
塞尺块/厚度规
塞尺
角尺/角度尺/刀口尺
角尺
万能角度尺
宽座角尺
量规/量块
斜度规
平行块
量块
针规
光滑塞规
螺距规
螺纹环塞规
半径规
指示表
厚度千分表
厚度百分表
涨簧式内径量表
台架
内径千分表
千分表
百分表
内径百分表
杠杆千分表
杠杆百分表
磁性表座
千分尺
千分尺附件
枪式三点内径千分尺
深度千分尺
校正环规
异形千分尺
千分尺
三点内径千分尺
千分尺台架
内测千分尺
接杆式内径千分尺
卡尺
异形卡尺
深度尺
卡尺
高度尺
机夹焊接刀片
焊接刀片
机夹螺纹刀片
机夹切断刀片
机夹铣削刀片
机夹车削刀片
刀柄及附件
钻夹头
刀柄
切断刀具
切口铣刀
锯片铣刀
车削刀具
内孔车刀杆
车削刀片
螺纹车刀片
白钢车刀
铣削刀具
圆柱形铣刀
三面刃铣刀
可转位直柄铣刀杆
键槽铣刀
立铣刀
螺纹加工刀具
手用丝锥
机用挤压丝锥
机用螺尖丝锥
螺纹修复工具
丝锥板牙套装
机用直槽丝锥
机用螺旋槽丝锥
丝锥绞手
圆板牙
管螺纹丝锥
孔加工刀具
定心钻
倒角钻
铰刀
中心钻
麻花钻
气动
工控
轴承
空气处理件
气缸类
无杆气缸
夹紧气缸
摆动气缸
气爪
阻挡气缸
紧凑型气缸
标准型气缸
滑台气缸
气阀类
节流阀
气控阀
5通电磁阀
3通电磁阀
截止阀
机械阀
软启动器
软启动器
人机界面/HMI
人机界面/HMI
可编程控制器/PLC
电源模块
接口模块
通讯模块
功能模块
模拟量输入输出模块
数字量输入输出模块
变频器
三菱变频器
西门子变频器
施耐德变频器
ABB变频器
台达变频器
带座轴承
带座轴承芯
带座轴承
轴承工具/附件
紧定套
锁紧螺母
轴向锁紧螺母套筒扳手
轴承润滑脂
轴承拉拔器
滚子轴承
滚针轴承
调心滚子轴承
圆柱滚子轴承
球轴承
推力球轴承
深沟球轴承
机械
制冷
液压
直线导轨/滑块
ABBA滑块
交叉滚珠导轨
电机及减速机
西门子低压交流电机
ABB低压交流电机
齿轮减速电机
行星减速机
联轴器及附件
膜片伺服联轴器
无齿隙联轴器弹性体
无齿隙联轴器
制冰机
制冰机
防爆空调/除湿机/加湿机
防爆加湿机
空调系统配件
移动空调用风管
风机盘管
制冷工具
显示仪表
手动工具
加液表阀
冷媒真空泵
制冷材料
制冷剂
冷冻油
制冷系统
油过滤器
油分离器
手阀
球阀
压缩机
压力控制器
热力膨胀阀
过滤芯
过滤器
外转子风机
压力传感器
热力膨胀阀感温元件
热力膨胀阀阀体
热力膨胀阀阀芯
板式热交换器
电磁阀线圈
电磁阀阀体
电磁阀
旋转阀
直角阀
四通换向阀
安全阀
排气阀
油压差控制器
单向阀
冷冻冷藏
温控器
冷风机
液压控制阀
顺序阀
减压阀
减压溢流阀
满油阀/充液阀
调速阀
单向阀
换向阀
节流阀
溢流阀
伺服阀
液压泵
外啮合齿轮泵
叶片泵
轴向柱塞泵
液压插装阀
华德液压二通插装阀
液压比例阀
比例换向阀
比例流量阀
比例溢流阀
液压马达
齿轮马达
液压缸
圆型液压缸
薄型液压缸
拉杆缸
液压辅助元件
液压阀块
压力开关
液压管
管阀
工业检测
机床
安全阀
安全阀
自动阀门
执行机构
阀体
气动阀门
电动阀门
管件接头
法兰
焊接接头
卡套接头
螺纹接头
手动阀门
水龙头
蝶阀
疏水阀
排气阀
底阀
过滤器
针阀
止回阀
截止阀
闸阀
球阀
自动阀/调节阀
减压阀
安全阀
疏水阀
调节阀体
电动
执行机构
气动
塑料阀门管件
阀门
管件接头
流体输送
软管总成
流体接头
卡箍
工业软管
钢丝螺旋管
PVC纤维增强管
过程流量检测
质量流量计
模具标准件
限位系列
机床附件
附件铣头
卡盘卡爪
回转工作台
顶尖顶针
精密平口钳
坡口倒角设备
精密倒角机
铆压设备
气动压力机
手动压力机
螺纹加工机床
套丝机
攻丝机
工具类磨床
丝锥研磨机
复合研磨机
万能磨刀机
万能工具磨床
钻头研磨机
锯片研磨机
砂轮机
网站首页
品牌中心
产品中心
新闻资讯
公司新闻
行业新闻
技术文章
在线留言
加入我们
关于我们
产品名称:
姓名:
手机号:
邮箱:
咨询内容:
产品网址:
验证码:
当前位置:
首页
产品中心
低压
继电器
固态继电器
库顿 直流面板安装固态继电器,KSJ200D20-L 20A 0-200VDC 4-32VDC控制
鼠标按住图片可看放大效果
库顿 直流面板安装固态继电器,KSJ200D20-L 20A 0-200VDC 4-32VDC控制
品牌:
库顿
型号:
KSJ200D20-L
价格:
询价(Tel:020-82037385)
商品介绍
规格参数
包装参数
商品图集
规格参数
品牌
KUDOM/库顿
类别
固态继电器
系列
KSJ
控制电压
4-32VDC
负载电流(A)
20
负载电压
200VDC
指示灯类型
LED
控制类型
直流控制
包装参数
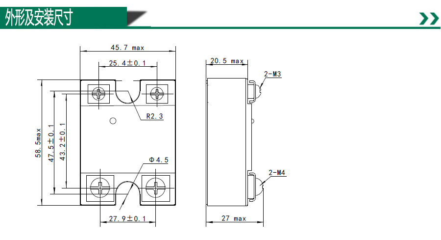
长度(mm)
59
宽度(mm)
46
高度(mm)
27
重量(kg)
0.08
公司简介
|
新闻中心
|
在线留言
|
联系我们
Powered By 广州新玛贸易有限公司 版权所有 © 2010-2019, All right reserved.
粤ICP备15019997号
在线客服
客服1
客服2