全国统一服务热线

020-82037385

  1. 当前位置:首页
  2. 产品中心
  3. 低压
  4. 继电器
  5. 中间继电器
  6. 西门子 中间继电器,3TH8271-0XM0
  • 20170213173958154_M
  • MBB326
鼠标按住图片可看放大效果

西门子 中间继电器,3TH8271-0XM0


  • 品牌:西门子
  • 型号:3TH82710XM0
  • 价格:询价(Tel:020-82037385)
  • 商品介绍
  • 规格参数
  • 包装参数
  • 商品图集

产品介绍 Overview

技术参数 Specifications

选型指南 SelectionData

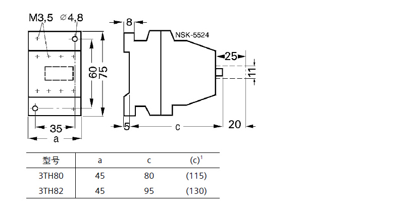
产品尺寸 Dimensions

规格参数
品牌 SIEMENS/西门子
类别 中间继电器
系列 3TH
线圈电压 AC220/264V
触点数量 8个
触点类型 7NO+1NC
安装方式 螺钉安装
包装参数
长度(mm) 30
宽度(mm) 30
高度(mm) 50
重量(kg) 0.01

在线客服
  • 客服1
    点击这里给我发消息
  • 客服2
    点击这里给我发消息