

产品介绍 Overview






技术参数 Specifications







选型指南 SelectionData


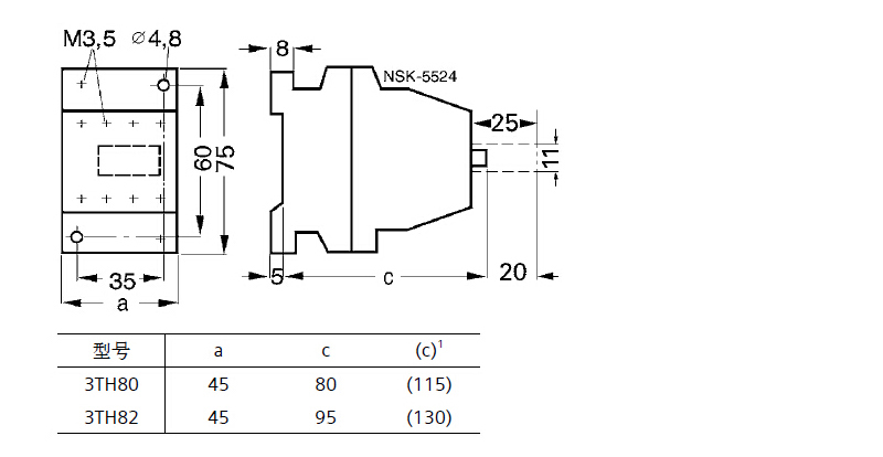
产品尺寸 Dimensions





鼠标按住图片可看放大效果