
深沟球轴承应用范围最广。其内外圈滚道都呈圆弧状深沟,可承受径向负荷、双向轴向负荷,及其合成负荷。深沟球轴承亦适用于高速旋转的应用场合。
此类型轴承中,有填入润滑脂的填脂轴承(双侧防尘盖或双侧密封圈轴承)、带止动环轴承等。使用这些轴承可简化轴承箱的设计。
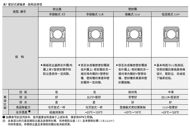
带双侧防尘盖或双侧密封圈轴承的结构和特性如表1所示:


备注:
补充后缀代号
内部变动编号 | U | 内部互换圆锥滚子轴承 |
R | 非内部互换圆锥滚子轴承 | |
ST | 低扭力圆锥滚子轴承 | |
HT | 高轴向负荷圆柱轴承 | |
保持架编号 | L1 | 高强度车制黄铜保持架 |
F1 | 车制碳钢保持架 | |
G1 | 方孔高强度黄铜无铆钉保持 | |
G2 | 销式保持架 | |
J | 冲压钢板保持架 | |
T2 | 树脂保持架 | |
密封圈、防尘盖编号 | LLB | 橡胶密封圈(非接触) |
LLU | 橡胶密封圈(接触) | |
LLH | 橡胶密封圈(低扭矩) | |
ZZ | 钢板密封盖 | |
外部变更编号 | K | 圆锥内径,标准比率1:12 |
K30 | 圆锥内径,标准比率1:30 | |
N | 有止动槽 | |
NR | 有止动环 | |
D | 有油孔 | |
D1 | 有油槽及油孔 | |
双联配置编号 | DB | 背对背排列 |
DF | 面对面排列 | |
DT | 并列排列 | |
D2 | 双联轴承 | |
G | 自由组合 | |
+ɑ | 带隔圈(CX:表示隔圈的标准尺寸) | |
预压 | /GL | 轻预压 |
/GN | 普通预压 | |
/GM | 中预压 | |
/GH | 重预压 | |
精度编号 | P6 | JIS 6级 |
P5 | JIS 5级 | |
P4 | JIS 4级 | |
P2 | JIS 2级 | |
2 | ABMA 2级 | |
3 | ABMA 3级 | |
0 | ABMA 0级 | |
00 | ABMA 00级 | |
润滑剂编号 | /2A | Shell Alvania 2油脂 |
/3A | Shell Alvania 3油脂 | |
/8A | Shell Alvania EP2油脂 | |
/5K | MULTEMP SRL | |
/LX11 | Barierta JFE552 | |
/LP03 | 热固性塑料(固体油脂) |
滚动轴承是精密零部件,为保持其精度,务须慎重、仔细的使用。保持轴承的清洁度,避免强烈冲击以及防止生锈等是使用轴承时的需要特别加以注意的事项。
大多数轴承是在涂敷防锈剂之后包装出厂的,最好保存在室温及相对湿度60%以下的场所。
安装轴承时,务须在套圈端面的圆周上施加均等的压力,而不得用榔头等直接敲击轴承端面,以免损伤轴承。
为了让轴承有较长的有效寿命及发挥其最大功效,我们必须定期对轴承进行维修及检查。


鼠标按住图片可看放大效果